Last updated: 24 Feb 2023 | 12029 Views |

CR.บทความวิชาการ ACAT
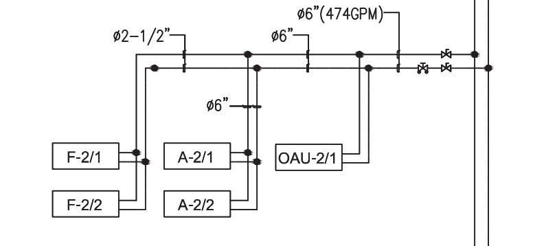
แบบ ระบบท่อน้ำเย็น

การหาขนาดท่อน้ำเย็นจะต้องรู้ Flow ในแบบระบุไว้ ที่ 474 GPM
นำ FLOW ไปเทียบ กับ ขนาดท่อน้ำเย็นจะได้ ที่ขนาด 6 นิ้วเป็นต้น
22 Feb 2023
24 Feb 2023
24 Feb 2023
24 Feb 2023